FOREST CH1002A
Caractéristiques :
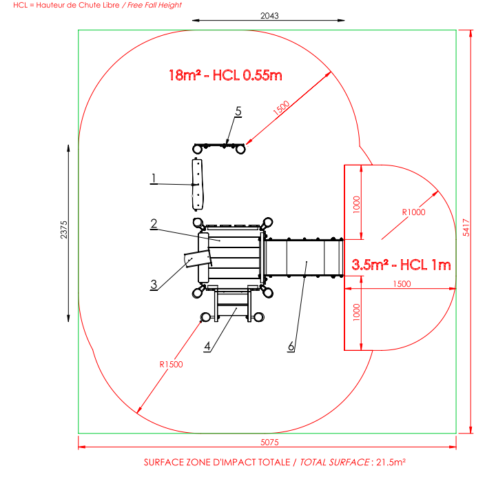
Ages : 6 mois - 6 ans
Nombre d'enfants : 7 enfants
Hauteur chute libre maxi : 1m
Hauteur plancher : 0.55m
Dimensions du jeu : 2.42 x 2.08m
Montage :
Poids :
Zone d'impact
Zone d'impact
Besoin d'informations complémentaires ?
Vous avez un projet
d'aire de jeux ?
Contactez-nous !


