EQUI 16
Features :
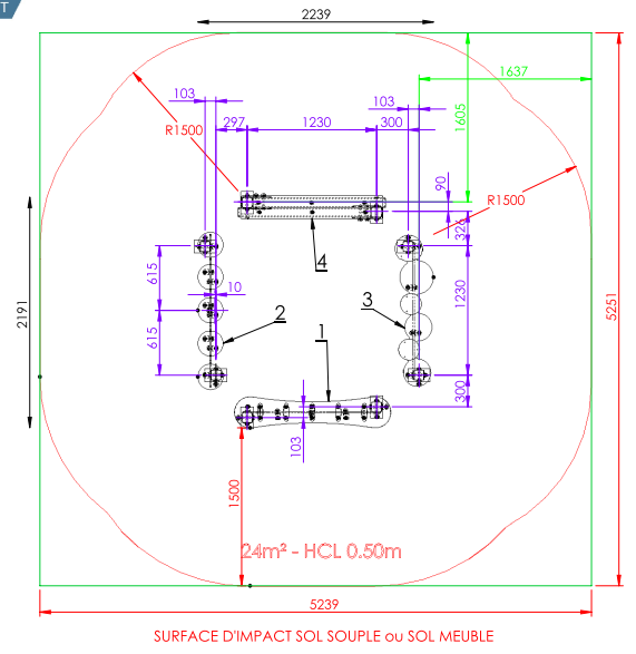
Ages : 2-8 years old
Number of children : 12 children
Maximum free fall height : 0,50 m
Floor height : none
Play dimensions : 2,24 x 2,19 m
Editing :
Weight :
Surface
Surface
Need more information ?
Do you have
a playground project ?
Please contact us!


