PECHERIE MCR1000
Features :
Ages : 3-14 years old
Number of children : 35 children
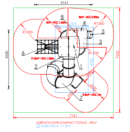
Maximum free fall height : 1,60 m
Floor height : 0,90 / 3,20 m
Play dimensions : 4,24 x 4,16 m
Editing :
Weight :
Surface
Surface
Need more information ?
Do you have
a playground project ?
Please contact us!




