PECHERIE P2001
Features :
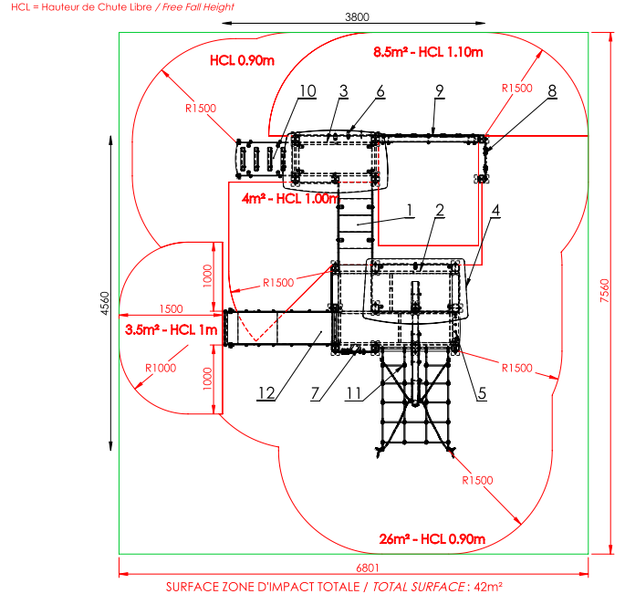
Ages : 2-8 years old
Number of children : 27 children
Maximum free fall height : 1,10 m
Floor height : 0,90 m
Play dimensions : 4,56 x 3,80 m
Editing :
Weight :
Surface
Surface
Need more information ?
Do you have
a playground project ?
Please contact us!




